Robot cộng tác AUBO-i20 – dòng cánh tay robot tải trọng lớn đến từ AUBO Robotics, được thiết kế để làm việc trực tiếp với con người mà không cần hàng rào bảo vệ. Robot sở hữu khả năng chuyển động linh hoạt, dễ lắp đặt trong nhiều không gian sản xuất khác nhau. AUBO-i20 đặc biệt phù hợp cho các ứng dụng như gắp – đặt sản phẩm tải nặng, lắp ráp chi tiết lớn, đóng gói, xếp pallet, gia công cơ khí, bắt vít, hàn & cấp phôi cho máy CNC, máy phay.
Các dòng sản phẩm nổi bật của AUBO gồm AUBO-i3, AUBO-i5, AUBO-i7, AUBO-i10, AUBO-i12, AUBO-i16 & AUBO-i20. Trong đó, AUBO-i20 là model tải trọng lớn, đáp ứng tốt mọi yêu cầu.
Tại sao nên lựa chọn robot cộng tác AUBO-i20?
Robot cộng tác AUBO-i20 được nhiều doanh nghiệp ưu tiên lựa chọn nhờ sở hữu hàng loạt ưu điểm vượt trội, nổi bật phải kể đến:
Tải trọng lớn, khả năng xử lý công việc hiệu quả
Với khả năng mang tải lên đến 20kg, AUBO-i20 vượt trội hơn nhiều dòng robot cộng tác thông thường, có thể dễ dàng xử lý sản phẩm kích thước lớn, chi tiết kim loại nặng, thùng hàng, khay, pallet, từ đó giúp giảm sức lao động thủ công, hạn chế tai nạn lao động & nâng cao năng suất.
An toàn tuyệt đối khi làm việc cùng con người
AUBO-i20 được tích hợp cảm biến lực, mô men tại các khớp, chức năng dừng khẩn cấp khi xảy ra va chạm, giới hạn lực & tốc độ theo chuẩn cobot. Nhờ đó, robot có thể làm việc song song với con người mà không cần lắp hàng rào bảo vệ, giúp tối ưu không gian nhà xưởng.
Độ chính xác, ổn định cao
Độ lặp lại lên đến ±0,1 mm giúp AUBO-i20 lắp ráp chính xác, gắp – đặt sản phẩm đồng đều, phù hợp cho các công đoạn yêu cầu chất lượng cao. Không chỉ vậy, robot còn có khả năng hoạt động ổn định trong thời gian dài, giúp giảm thiểu lỗi sai & phế phẩm.

Dễ lập trình, dễ vận hành
Một trong những ưu điểm vượt trội nhất của robot cộng tác AUBO-i20 chính là giao diện lập trình trực quan, hỗ trợ kéo – dạy & không yêu cầu lập trình phức tạp. Ngay cả người không chuyên sâu về robot cũng có thể lập trình & vận hành.
Dễ tích hợp với dây chuyền sản xuất
AUBO-i20 hỗ trợ kết nối I/O đa dạng, giao thức truyền thông phổ biến & tích hợp với camera, băng tải, PLC, máy CNC, giúp robot linh hoạt ứng dụng trong nhiều mô hình nhà máy khác nhau.
Thông số kỹ thuật robot cộng tác AUBO-i20
Robot AUBO-i20
| Bậc tự do | 6 |
| Tầm với (mm) | 1650 |
| Tải trọng (kg) | 20 |
| Trọng lượng (kg) | 63 |
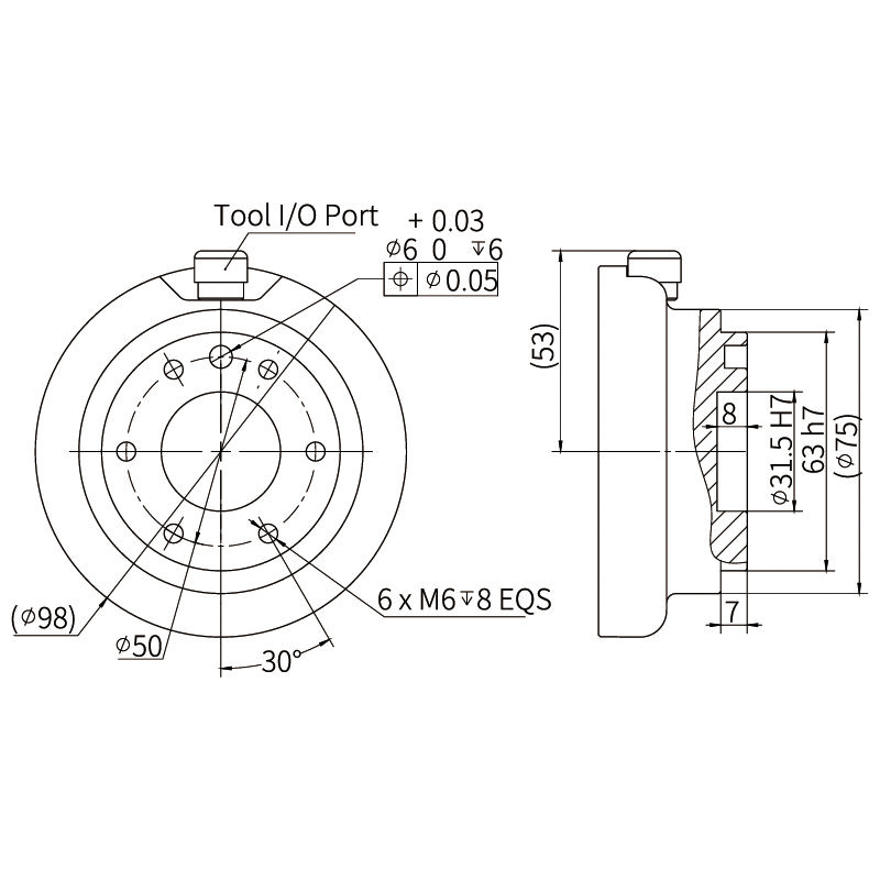
| Đường kính bề mặt lắp đặt (mm) | Ø260 |
| Độ lặp lại (mm) | ±0,1 |
| Vận tốc tuyến tính (m/s) | ≤2.6 |
| Công suất trung bình (W) | 1000 |
| Công suất cực đại (W) | 3000 |
| Nhiệt độ môi trường xung quanh (°C) | 0-50 |
| Độ ẩm môi trường (%) | Độ ẩm tương đối 90% (không ngưng tụ) |
| Hướng dẫn lắp đặt | Bất kỳ tường nhà, trần nhà, sàn nhà nào |
| Cấp độ bảo vệ | IP54 |
| Tiêu chuẩn ISO 14644-1 về cấp độ sạch | 5 |
Chuyển động trục
| Chuyển động trục | Phạm vi hoạt động (°) | Tốc độ tối đa (°/s) |
| Khớp 1 | ±360 | 93 |
| Khớp 2 | ±360 | 93 |
| Khớp 3 | ±360 | 178 |
| Khớp 4 | ±360 | 178 |
| Khớp 5 | ±360 | 178 |
| Khớp 6 | ±360 | 178 |
Mỗi khớp có khả năng xoay ±360°, tuy nhiên do hạn chế của ứng dụng, một số khớp có thể không xoay được hết 360°.
Hộp điều khiển
| Mã sản phẩm | AUBO-CB-M | ||
| Kích thước | 390mm*370mm*265mm | ||
| Cân nặng | 15kg | ||
| Kết nối cáp với robot | 5m (có thể tùy chỉnh, lên đến 8m) | ||
| Dây cáp kết nối nguồn điện | 5m | ||
| Giao tiếp | Ethernet, Modbus-RTU/TCP, Profinet (tùy chọn) | ||
| Giao diện | SDK (Hỗ trợ C/C++/C#/Lua/Python), Hỗ trợ ROS, API | ||
| Nguồn điện | Điện áp 100-240VAC, Tần số 50-60Hz | ||
| Cấp độ bảo vệ | IP43 | ||
| Đầu vào/Đầu ra hộp điều khiển / Đầu vào/Đầu ra công cụ | |||
| Hộp điều khiển | Đầu dụng cụ | ||
| Cổng I/O | Kỹ thuật số trong | 16 (chung)/16 (an toàn) | 4 (tùy chọn) |
| Đầu ra kỹ thuật số | 16 (chung)/16 (an toàn) | 4 (tùy chọn) | |
| Đầu vào tương tự | 4 | 2 | |
| Nguồn I/O | Đầu ra tương tự | 4 | – |
| Điện áp đầu vào | 24V | 0V/12V/24V | |
| Dòng điện đầu ra | Tối đa 3A | 0.8A | |
Mặt nạ dây chuyền dạy học
| Mã sản phẩm | AUBO-TP |
| Kích thước | 355mm*235mm*54mm |
| Cân nặng | 1.57kg |
| Cấp độ bảo vệ | IP43 |
| Màu sắc | Cam + Đen |
Ứng dụng nổi bật của robot cộng tác AUBO-i20 trong các ngành & lĩnh vực hiện nay
Ngày nay, robot cộng tác AUBO-i20 được ứng dụng rộng rãi trong nhiều ngành công nghiệp khác nhau. Dưới đây là những ứng dụng tiêu biểu & nổi bật nhất của dòng AUBO-i20:
– Gắp, đặt & xếp pallet tự động: giúp tăng tốc độ xếp hàng, giảm phụ thuộc vào lao động thủ công & hạn chế rủi ro chấn thương cho con người
– Cấp phôi, bốc xếp cho máy CNC: góp phần nâng cao năng suất máy CNC, đảm bảo độ đồng đều & ổn định trong sản xuất
– Lắp ráp linh kiện, cụm chi tiết lớn: giúp giảm thiểu sai sót, nâng cao chất lượng sản phẩm & tối ưu nhân lực
Ngoài ra, còn được ứng dụng trong các công đoạn như đóng gói – phân loại sản phẩm, hàn – gia công công nghiệp,…
>> Xem thêm: Robot cộng tác AUBO-i16 hàng cao cấp, chất lượng
Robot cộngp tác AUBO-i20 là giải pháp tự động hóa toàn diện cho doanh nghiệp hiện đại. Với thiết kế thông minh, khả năng làm việc an toàn cùng con người & hiệu suất vượt trội, AUBO-i20 giúp doanh nghiệp nâng cao năng suất, giảm chi phí & tăng khả năng cạnh tranh trên thị trường.
ATPro – Đơn vị hàng đầu chuyên nhập khẩu & phân phối các dòng cánh tay robot đến từ nhiều thương hiệu nổi tiếng khác nhau, cam kết chính hãng, chất lượng & uy tín. Nếu cần hỗ trợ tư vấn chi tiết về robot, hãy gọi ngay cho chúng tôi theo số hotline phòng kinh doanh.
Tham khảo ngay các sản phẩm đang được bán chạy nhất tại ATPro
ATPro - Cung cấp phần mềm SCADA, MES, quản lý điện năng, hệ thống gọi số, hệ thống xếp hàng, đồng hồ LED treo tường, đồng hồ đo lưu lượng, máy tính công nghiệp, màn hình HMI, IoT Gateway, đèn tín hiệu, đèn giao thông, đèn máy CNC, bộ đếm sản phẩm, bảng LED năng suất, cảm biến công nghiệp,...uy tín chất lượng giá tốt. Được khách hàng tin dùng tại Việt Nam.







































